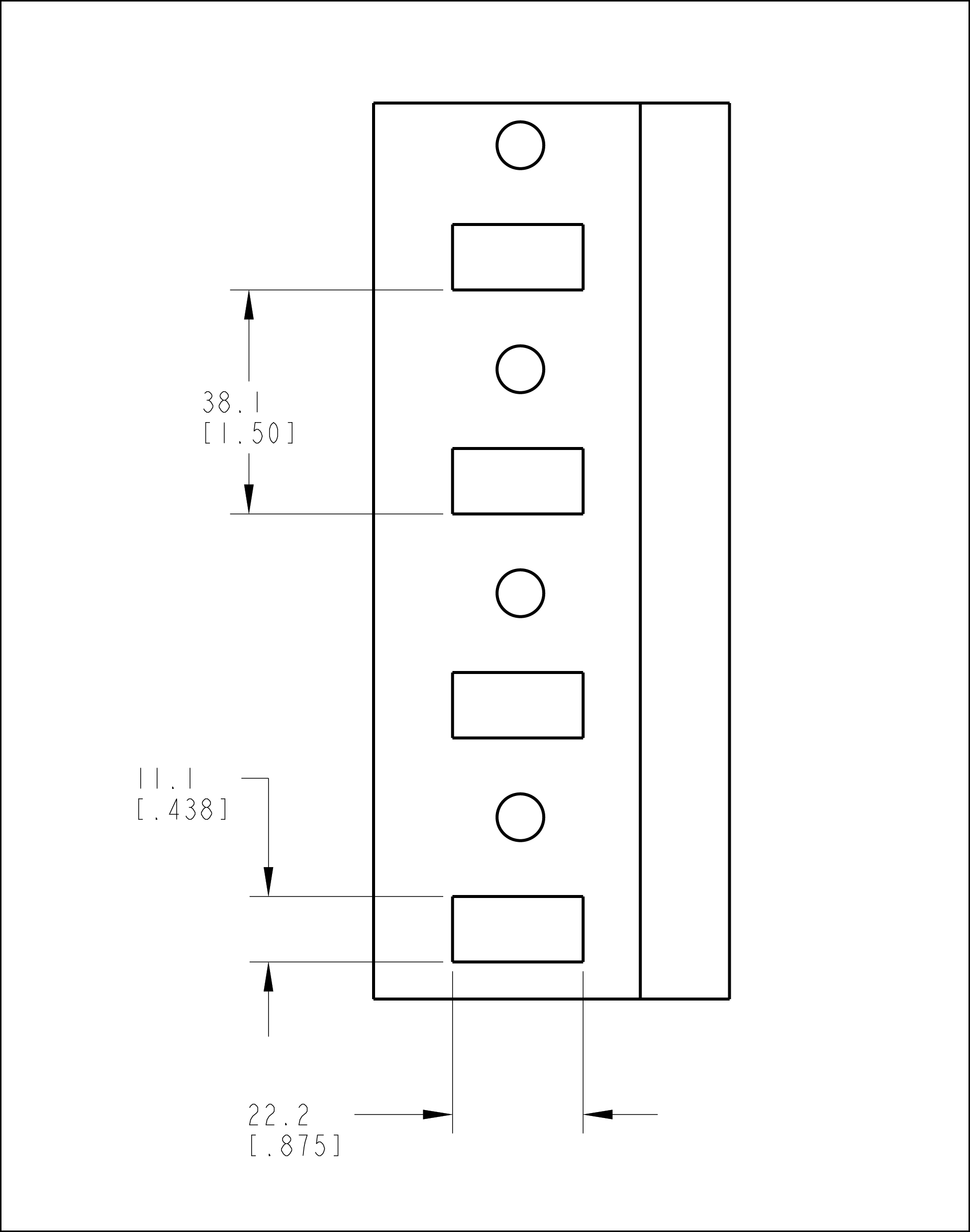
RETENTION BANDING Request More Info Request More Info STACK RACK BANDING BORROUGHS BANDING DELUXE BANDING RIVITIER BANDING OTHER BANDINGS We also have many other products ready to be delivered or customized in any way you need!